MULTRO®-Schacht

Die Vorteile des MULTRO®-Schachtsystems

 

Kosteneinsparungen

Der MULTRO® bringt signifikante Kosteneinsparungen durch Verringerung von Rohrgrabenaushub, Abtransport, Deponierung und Verfüllung.

Die einzigartige Konzeption des MULTRO®-Schachtes erlaubt die Verlegung der Rohrleitungen senkrecht übereinander, d.h. es ist kein Stufengraben mehr notwendig.

Damit sind Einsparungen beim Rohrgraben von 10 bis über 25% möglich durch Verminderung des Grabenaushubes und des Verbaus, es ist weniger Aushubmaterial abzutransportieren und zu deponieren und es wird dementsprechend weniger Verfüllmaterial benötigt.

 

 

Platzsparende Bauweise

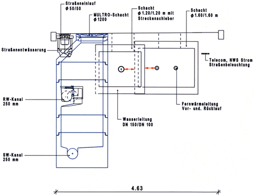
Die verminderte Rohrgrabenbreite führt zu einer besonders platzsparenden Bauweise in der Straße.

Mit dem MULTRO®-Schachtsystem wird deutlich weniger Platz in der Straße benötigt. Wie die beiden Pläne zeigen, können bei den dargestellten Nennweiten 1,12 m eingespart werden, das sind über 20% der Straßenbreite gegenüber der Verlegung mit Doppelschächten.

Dies kann genutzt werden durch Reduzierung der Straßenbreiten, dort wo aus Gründen der Verkehrsberuhigung schmalere Straßen erwünscht sind. Dies führt zu einer Verringerung der öffentlichen Flächen und mindert damit die Umlagekosten für die Erschließung bzw. erhöht die Nettofläche und damit den Wert des Planungsgebietes.

 

 

Mischsystem Trennsystem MULTRO®-Kombischacht
Das System Die Vorteile Technische Merkmale Zugänglichkeit Die Revisionsöffnung Be- und Entlüftung
MULTRO® DN 1500 Hauskontrollschacht MULTRO®-Einbauteil Revisionsöffnung MULTRO®-Podest Sonstiges
Herstelleradressen Ausschreibungstexte Normen und Vorschriften Arbeitssicherheit Verlegung Bildserie Verlegung
Mail Adressen
Einführung
MULTRO-Schacht
Produkte
Informationen
Aktuell
Kontakt
HomeSitemapImpressum